Copyright ? 2009-2018 All Rights Reserved by ANZEN DENGU(HUIZHOU)
由1個顆粒型溫度保險絲和2個2W電阻素子組成的一體制品。
P2R是不含鉛?鎘的制品。(RoHS對象制品)
P2R能在超負荷等異常時,發揮它的優越切斷特性。
最適合于電氣地毯和電氣毯子的電路保護。
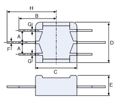
尺寸

Unit : mm
A | 5±0.5 |
B | 35+3,-0 |
C | 17.5±0.5 |
D | 17±0.5 |
E | 8.5±0.5 |
F | Φ1.0±0.1 |
G | Φ0.8±0.04 |
H | 41.5±1 |
構造圖

![]() | 陶瓷殼 |
![]() | 硅樹脂水泥 |
![]() | 電阻素子 (陶瓷礙子) |
![]() | 溫度保險絲 |
![]() | 導線 (鍍錫軟銅線) |
品名構成

額定
品名 | P2R![]() | P2R![]() | |
額定電力(25°C) | 2W/1素子 | 2W/1素子 | |
額定電阻值 | 150~470Ω※1 | 150~470Ω※1 | |
電阻值容許偏差 | ±5% | ||
溫度保險絲 | 品名 | LE090-L | LE095-L |
額定動作溫度Tf | 94°C | 99°C | |
額定電壓 | AC250V | AC250V | |
額定電流 | 15A | 15A | |
PSE | ○ | ○ | |
UL C-UL | ― | ― | |
TUV | ― | ― |
※
降低負荷曲線

切斷性能

切斷時間(秒以內) | |||
---|---|---|---|
T4 | T9 | T16 | T25 |
1小時以內 | 90 | 55 | 40 |
切斷特性
P2RJ10

安全規格認定
P2RJ91
品名 | PSE | UL、C-UL | TUV |
---|---|---|---|
P2R151J91 | JET-0708-32001-1005 | ─ | ─ |
P2R181J91 | JET-0708-32001-1005 | ─ | ─ |
P2R201J91 | JET-0708-32001-1005 | ─ | ─ |
P2R331J91 | JET-0708-32001-1005 | ─ | ─ |
P2R361J91 | JET-0708-32001-1005 | ─ | ─ |
P2R471J91 | JET-0708-32001-1005 | ─ | ─ |
P2R222J91 | JET-0708-32001-1005 | ─ | ─ |
P2RJ96
品名 | PSE | UL、C-UL | TUV |
---|---|---|---|
P2R151J96 | JET-0708-32001-1005 | ─ | ─ |
P2R361J96 | JET-0708-32001-1005 | ─ | ─ |
P2R471J96 | JET-0708-32001-1005 | ─ | ─ |
性能規格
進行以下品質試驗;提供通過標準規格認證的產品。電阻值
- 規格
- 在±5%以內。
- 試験方法
- 導線端子間施加下表的直流電壓進行測定。
額定電阻值范圍[Ω] | 最高承受電壓[V] | |
---|---|---|
1以上 | 10未満 | 0.3 |
10以上 | 100未満 | 1 |
動作溫度
- 規格
- P2R
J91:94+0-7°C
P2RJ96:99+0-7°C
- 試験方法
- 制品在每分鐘0.5°C的油槽中,制品動作時油槽內溫度的測定。測定開始定額溫度為-20°C、檢測電流在10mA以下。
絕緣電阻
- 規格
- 主體?導線端子間 在1000MΩ以上
兩根導線端子間 在0.2MΩ以上 - 試験方法
主體?導線端子間 | 在水泥殼卷上的金屬箔與導線端子間施加DC500V進行測定。 |
---|---|
兩根導線端子間 | 動作試驗后,導線端子間施加DC500V進行測試。 |
耐電圧
- 規格
- 主體?導線端子間 能承受1分鐘
兩根導線端子間 能承受1分鐘 - 試験方法
主體?導線端子間 | 在水泥殼卷上的金屬箔與導線端子間施加AC1.5kV1分鐘進行測定。(檢測電流0.5mA) |
---|---|
兩根導線端子間 | 動作試驗后,導線端子間施加AC500V1分鐘進行測定。(檢測電流0.5mA) |
電阻溫度係數
- 規格
- ±250ppm/°C
- 試験方法
- 常溫/70°C up
短時間過負荷
- 規格
- ±(2%+0.05Ω)
- 試験方法
- 額定電力×10倍,承受5秒鐘
焊接耐熱性
- 規格
- ±(1%+0.05Ω)
- 試験方法
- 265°C±5°C,5sec.
端子強度
- 規格
- 無斷線、松動、破損。
- 試験方法
- 拉力 20N, 1 min
扭曲 90°C 1 cycle
耐濕性
- 規格
- ±(2%+0.05Ω)
- 試験方法
- 40°C 濕度90~95%RH 10000小時
負荷壽命特性
- 規格
- ±(3%+0.05Ω)
- 試験方法
- 額定負荷1000小時、1.5小時ON/0.5小時OFF的周期