Copyright ? 2009-2018 All Rights Reserved by ANZEN DENGU(HUIZHOU)
可熔合金型溫度保險絲和7W卷線電阻器組合成一體的制品。
F7K是不含鉛?鎘的制品。(RoHS對象制品)
F7K能在超負荷等異常時,發揮它的優越切斷特性。
特別是采用了對突入電流有優越性能的電阻素子,最適合防止突入電流。
防沖擊電阻特性
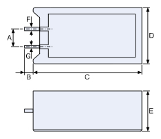
尺寸

Unit : mm
A | 5±0.5 |
B | 3.5+1、?0.5 |
C | 30±0.5 |
D | 15±0.5 |
E | 11±0.5 |
F | Φ0.80±0.04 |
G | Φ1.00±0.04 |
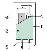
構造圖

![]() | 陶瓷殼 |
![]() | 硅樹脂水泥 |
![]() | 電阻素子 (陶瓷礙子) |
![]() | 溫度保險絲 |
![]() | 導線 (鍍錫軟銅線) |
品名構成

額定
品名 | F7K![]() | F7K![]() | |
額定電力(25°C) | 3.0W | 3.5W | |
額定電阻值 | 1.8~820Ω※1 | 1.8~820Ω※1 | |
電阻值容許偏差 | ±5% | ||
溫度保險絲 | 品名 | 27T | 2TJ |
額定動作溫度Tf | 134°C | 145°C | |
額定電壓 | AC250V | AC250V | |
額定電流 | 5.5A | 5A | |
UL C-UL | ○ | ○ | |
※
降低負荷曲線

切斷性能

切斷時間(秒以內) | |||
---|---|---|---|
T4 | T9 | T16 | T25 |
1小時以內 | 90 | 55 | 40 |
切斷特性
F7KJ13

安全規格認定
F7KJ13
品名 | UL、C-UL | VDE |
---|---|---|
F7K1R8J13-X | E73591 | 40048129 |
F7K2R2J13-X | E73591 | 40048129 |
F7K3R3J13-X | E73591 | 40048129 |
F7K3R9J13-X | E73591 | 40048129 |
F7K4R7J13-X | E73591 | 40048129 |
F7K5R1J13-X | E73591 | 40048129 |
F7K5R6J13-X | E73591 | 40048129 |
F7K6R8J13-X | E73591 | 40048129 |
F7K8R2J13-X | E73591 | 40048129 |
F7K100J13-X | E73591 | 40048129 |
F7K120J13-X | E73591 | 40048129 |
F7K150J13-X | E73591 | 40048129 |
F7K220J13-X | E73591 | 40048129 |
F7K330J13-X | E73591 | 40048129 |
F7K390J13-X | E73591 | 40048129 |
F7K470J13-X | E73591 | 40048129 |
F7KJ14
品名 | UL、C-UL | VDE |
---|---|---|
F7K1R8J14-X | E73591 | 40048167 |
F7K2R2J14-X | E73591 | 40048167 |
F7K3R3J14-X | E73591 | 40048167 |
F7K3R9J14-X | E73591 | 40048167 |
F7K4R7J14-X | E73591 | 40048167 |
F7K5R1J14-X | E73591 | 40048167 |
F7K5R6J14-X | E73591 | 40048167 |
F7K6R8J14-X | E73591 | 40048167 |
F7K8R2J14-X | E73591 | 40048167 |
F7K100J14-X | E73591 | 40048167 |
F7K120J14-X | E73591 | 40048167 |
F7K150J14-X | E73591 | 40048167 |
F7K220J14-X | E73591 | 40048167 |
F7K330J14-X | E73591 | 40048167 |
F7K390J14-X | E73591 | 40048167 |
F7K470J14-X | E73591 | 40048167 |
性能規格
進行以下品質試驗;提供通過標準規格認證的產品。電阻值
- 規格
- 在±5%以內。
- 試験方法
- 導線端子間施加下表的直流電壓進行測定。
額定電阻值范圍[Ω] | 最高承受電壓[V] | |
---|---|---|
1以上 | 10未満 | 0.3 |
10以上 | 100未満 | 1 |
動作溫度
- 規格
- F7K
J13-X:134+0-7°C
F7KJ14-X:145+0-7°C
- 試験方法
- 制品在每分鐘0.5°C的油槽中,制品動作時油槽內溫度的測定。測定開始定額溫度為-20°C、檢測電流在10mA以下。
絕緣電阻
- 規格
- 主體?導線端子間 在1000MΩ以上
兩根導線端子間 在0.2MΩ以上 - 試験方法
主體?導線端子間 | 在水泥殼卷上的金屬箔與導線端子間施加DC500V進行測定。 |
---|---|
兩根導線端子間 | 動作試驗后,導線端子間施加DC500V進行測試。 |
耐電圧
- 規格
- 主體?導線端子間 能承受1分鐘
兩根導線端子間 能承受1分鐘 - 試験方法
主體?導線端子間 | 在水泥殼卷上的金屬箔與導線端子間施加AC1.5kV1分鐘進行測定。(檢測電流0.5mA) |
---|---|
兩根導線端子間 | 動作試驗后,導線端子間施加AC500V1分鐘進行測定。(檢測電流0.5mA) |
電阻溫度係數
- 規格
- ±250ppm/°C
- 試験方法
- 常溫/70°C up
短時間過負荷
- 規格
- ±(2%+0.05Ω)
- 試験方法
- 額定電力×10倍,承受5秒鐘
焊接耐熱性
- 規格
- ±(1%+0.05Ω)
- 試験方法
- 265°C±5°C, 10 sec.
端子強度
- 規格
- 無斷線、松動、破損。
- 試験方法
- 拉力 20N, 1 min
扭曲 90°C 1 cycle
耐濕性
- 規格
- ±(2%+0.05Ω)
- 試験方法
- 40°C 濕度90~95%RH 10000小時
負荷壽命特性
- 規格
- ±(3%+0.05Ω)
- 試験方法
- 額定負荷1000小時、1.5小時ON/0.5小時OFF的周期